• 哔咔漫画免费观看入口官网,PICACG哔咔官网入口,哔咔漫画APP官方入口,哔咔动漫在线观看免费完整版下载

    工業PICACG哔咔官网入口廠家專業提供工業PICACG哔咔官网入口,家用PICACG哔咔官网入口,商用PICACG哔咔官网入口等產品,歡迎來電谘詢定製。 公司簡介| 研發團隊| 網站地圖| xml地圖
    工業·商用除濕設備生產商

    工業PICACG哔咔官网入口·商用PICACG哔咔官网入口·恒溫恒濕機·非標定製

    全國谘詢熱線133-6050-3273
    全麵簡析風冷模塊機組(原理、結構、熱回收及安裝要點)

    全麵簡析風冷模塊機組(原理、結構、熱回收及安裝要點)

    作者:CEO 時間:2022-07-28

    信息摘要:風冷模塊機組的主要特點1、是以空氣為冷(熱)源,以水為供冷(熱)介質的中央空調機組,即冷凝器為翅片式換熱器,蒸發器為水氟換熱應用的換熱器,如套管、殼管及板式換熱器等。v2、作為冷熱源兼用型的一體化設備,風冷熱泵省卻了冷卻塔、冷卻水泵、鍋爐以及相應管道係統等多種輔件,係統結構簡單,安裝空間節省,維護管

    全麵簡析風冷模塊機組(原理、結構、熱回收及安裝要點)

    (全麵簡析風冷模塊機組(原理、結構、熱回收及安裝要點))

      風冷模塊機組的主要特點

      1、是以空氣為冷(熱)源,以水為供冷(熱)介質的中央空調機組,即冷凝器為翅片式換熱器,蒸發器為水氟換熱應用的換熱器,如套管、殼管及板式換熱器等。

      v2、作為冷熱源兼用型的一體化設備,風冷熱泵省卻了冷卻塔、冷卻水泵、鍋爐以及相應管道係統等多種輔件,係統結構簡單,安裝空間節省,維護管理方便而且節約能源,尤其適用於水源缺乏區域。

      3、風冷熱泵機組通常是許多冬冷夏熱,既無供熱鍋爐,又無供熱熱網,或熱網供熱時間短、不穩定,要求全年空調的暖通工程設計中優先選用的有效補充。

      4、其與風機盤管、空調箱等末端裝置所組成的集中、半集中式中央空調係統具有布置靈活、控製方式多樣等優點。

      機組工作原理

      製冷模式

      工業PICACG哔咔官网入口廠家

      壓縮機排出的製冷劑高溫氣體在風側換熱器中冷凝成液體,經節流裝置節流降壓,進入水側換熱器,吸收熱量蒸發後回到壓縮機,完成一個製冷循環;同時,從室內來的空調用水經過水側換熱器後被冷卻降溫。

      製熱模式

      工業PICACG哔咔官网入口廠家

      壓縮機排出的製冷劑高溫氣體在水側換熱器中冷凝成液體,經節流裝置節流降壓,進入風側換熱器,吸收熱量蒸發後回到壓縮機,完成一個製熱循環;同時,從室內來的空調用水經過水側換熱器後被加熱升溫。

      機組一般結構及配置特點

      工業PICACG哔咔官网入口廠家

      

      渦旋壓縮機

      工業PICACG哔咔官网入口廠家

      

      渦旋壓縮機具有體積小、重量輕、效率高、振動與操作低、運行可靠、加工精度要求高等特點。

      換熱器

      工業PICACG哔咔官网入口廠家

      

      雙係統板式換熱器:每個製冷劑回路都與水回路相鄰,部分負荷時凍冰風險大為降低。部分負荷時傳熱溫差增加20%,COP增大4%。

      工業PICACG哔咔官网入口廠家

      套管式換熱器:製冷劑在換熱管內強製對流沸騰並冷卻管壁,循環水在管束外強製對流並加熱管壁,兩種介質通過換熱管壁傳熱。

      工業PICACG哔咔官网入口廠家

      風冷翅片換熱器:采用優質銅管與由親水膜材料製成的強化鋁翅片經漲管機漲管而成。管片結合緊密,傳熱效率高;運行維護、清潔方便。

      四通換向閥

      工業PICACG哔咔官网入口廠家

      

      四通換向閥是一種兩進兩出的特殊電磁閥,用於壓縮式熱泵係統供暖與製冷工況轉換。當熱泵從製冷工況轉為供暖工況時,四通換向閥動作(轉到供暖工況位置),於是室內蒸發器作為冷凝器用,壓縮機排出的高溫製冷劑蒸汽經四通流入室內蒸發器(此時作冷凝器用),而冷凝器則成為蒸發器,完成工況轉換。

      節流閥

      工業PICACG哔咔官网入口廠家

      

      熱力膨脹閥:是調節進入蒸發器中揮發性製冷劑流量的控製機構。具有的作用:節流降壓、控製流量、控製過熱度。

      工業PICACG哔咔官网入口廠家

      電子膨脹閥是按照預設程序調節蒸發器供液量,因屬於電子式調節模式,故稱為電子膨脹閥。對於熱力膨脹閥,當環境溫度較低,其感溫包內部的感溫介質的壓力變化大大減小,嚴重影響了調節性能。而對於電子膨脹閥,其感溫部件為熱電偶或熱電阻,它們在低溫下同樣能準確反應出過熱度的變化。因此,在冷藏庫的凍結間等低溫環境中,電子膨脹閥也能提供較好的流量調節。

      電磁閥

      工業PICACG哔咔官网入口廠家

      防止液擊

      幹燥過濾器

      工業PICACG哔咔官网入口廠家

      機組係統的清潔衛士

      視液鏡

      工業PICACG哔咔官网入口廠家

      均液器

      工業PICACG哔咔官网入口廠家

      平均分配製冷劑

      過濾器

      工業PICACG哔咔官网入口廠家

      有效改善水質條件

      水流開關

      工業PICACG哔咔官网入口廠家

      有效改善水流條件,合適的水流量是空調主機可靠工作的必要保證。

      控製器

      工業PICACG哔咔官网入口廠家

      安全保護、遠程控製等功能。

      幾種換熱器比較

      工業PICACG哔咔官网入口廠家

      機組設計安裝及應用

      設備選型(估算)

      通常根據製冷負荷估算:房間製冷量=單位負荷指標×房間麵積

      工業PICACG哔咔官网入口廠家

      根據計算負荷、進出水溫度、環境溫度等值查選樣本選擇能滿足條件的機型!(條件需要重點考慮)

      水係統形式及對比

      水係統形式一般有:同程式、異程式、混合式。

      工業PICACG哔咔官网入口廠家

      同程式連接示意圖

      工業PICACG哔咔官网入口廠家

      異程式連接示意圖

      工業PICACG哔咔官网入口廠家

      

      混合式連接示意圖

      工業PICACG哔咔官网入口廠家

      

      水泵的選擇與水係統配件

      所謂水泵的選取計算其實就是估算(很多計算公式本身就是估算的),估算分的細致些考慮的內容全麵些就是精確的計算。暖通南社在推送的課件中多次提到。

      水泵揚程簡易估算法:

      Hmax=△P1+△P2+0.05L(1+K)

      △P1為冷水機組蒸發器的水壓降。

      △P2為該環中並聯的各占空調未端裝置的水壓損失最大的一台的水壓降。

      L為該最不利環路的管長。

      K為最不利環路中局部阻力當量長度總和和與直管總長的比值,當最不利環路較長時K值取0.2~0.3,最不利環路較短時K值取0.4~0.6。

      水流量計算

      1、冷卻水流量:一般按照產品樣本提供數值選取,或按照如下公式進行計算,公式中的Q為製冷主機製冷量:

      L(m3/h)=[Q(kW)/(4.5~5)℃x1.163]×(1.15~1.2)

      2、冷凍水流量:在沒有考慮同時使用率的情況下選定的機組,可根據產品樣本提供的數值選用或根據如下公式進行計算。如果考慮了同時使用率,建議用如下公式進行計算。公式中的Q為建築沒有考慮同時使用率情況下的總冷負荷。

      L(m3/h)=Q(kW)/(4.5~5)℃×1.163

      3、冷卻水補水量一般1為冷卻水循環水量的1~1.6%。

      水係統配件

      工業PICACG哔咔官网入口廠家

      工業PICACG哔咔官网入口廠家

      安裝方式與安裝空間

      安裝方式及優缺點

      工業PICACG哔咔官网入口廠家

      工業PICACG哔咔官网入口廠家

      安裝空間

      工業PICACG哔咔官网入口廠家

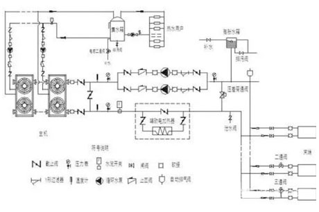
      熱回收模塊水管路安裝示意圖

      工業PICACG哔咔官网入口廠家

      工業PICACG哔咔官网入口廠家

      工業PICACG哔咔官网入口廠家

      工業PICACG哔咔官网入口廠家

      工業PICACG哔咔官网入口廠家

      工業PICACG哔咔官网入口廠家

      熱回收概念及其形式

      關於風冷熱回收,暖通南社在相關課件多次提到。這裏簡單闡述下。

      熱回收概念

      如下圖,在lgP-H圖中

      2點到5點的過程為整個冷凝過程

      2點到3點是製冷劑的過熱段顯熱放熱過程

      3點到4點是製冷劑的潛熱放熱過程

      4點到5點是製冷劑的過冷段顯熱放熱過程

      工業PICACG哔咔官网入口廠家

      部分熱回收指部分利用製冷劑的冷凝熱加熱生活用水,水溫高於冷凝溫度(上圖2—3過程);

      全部熱回收指製冷劑過熱蒸氣冷卻、冷凝和過冷,冷凝熱全部回收加熱生活用水,水溫低於冷凝溫度(上圖2—5過程)。

      部分熱回收:隻利用壓縮機出口蒸汽顯熱,蒸汽顯熱一般占全部冷凝熱的15﹪左右,其它的冷凝熱在冷凝器中被風機帶走;

      全熱回收:利用全部的冷凝熱。

      工業PICACG哔咔官网入口廠家

      工業PICACG哔咔官网入口廠家

      機組熱回收內部結構與特點

      工業PICACG哔咔官网入口廠家

      機組熱回收內部結構與特點

      風冷熱泵全熱回收—製冷

      此時與普通風冷冷水機組一樣使用,提供空調用冷凍水。製冷劑直接流入風冷冷凝器冷凝。

      工業PICACG哔咔官网入口廠家

      風冷熱泵全熱回收—製冷+熱回收

      高溫高壓的製冷劑直接從壓縮機至熱回收器,機組在提供7℃凍水的同時又提供55℃生活熱水。COP極高,最節能。

      工業PICACG哔咔官网入口廠家

      風冷熱泵全熱回收置—空調製熱

      此時與普通風冷熱泵機組一樣使用,提供空調用熱水。製冷劑直接流入水側換熱器,從空氣中吸取熱量。

      工業PICACG哔咔官网入口廠家

    聲明:本站部分內容和圖片來源於互聯網,經本站整理和編輯,版權歸原作者所有,本站轉載出於傳遞更多信息、交流和學習之目的,不做商用不擁有所有權,不承擔相關法律責任。若有來源標注存在錯誤或侵犯到您的權益,煩請告知網站管理員,將於第一時間整改處理。管理員郵箱:y569#qq.com(#改@)
    在線客服
    聯係方式

    熱線電話

    133-6050-3273

    上班時間

    周一到周五

    公司電話

    133-6050-3273

    微信二維碼
    網站地圖